燃气过滤器XXG-C带差压表天然气过滤器主要技术参数
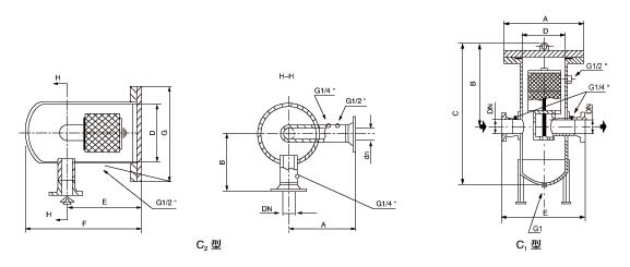
燃气过滤器XXG-C天然气过滤器/带差压计天然气过滤器/气体过滤器/高压气体过滤装置/精细过滤器/沼气过滤器/管道天然气过滤器/大口径气体过滤器/高压气体过滤装置/轴流式气体过滤器为反流式过滤器,主要用于各类输气管道系统的气体过滤,保证管路系统设备的正常运行。该系列过滤器过滤面积大,效率高,压损小,使用安装简便。该系列产品分C1型轴式连接(如图C1型)和C2型直角式连接(如图C2型)两种安装形式。另外还有G型过滤、Y型过滤器。
主要技术参数
设计压力等级:1.6MPa、2.5MPa、4.0MPa、6.3MPa
额定工作压力:1.6MPa、2.2MPa、3.2MPa、4.5MPa
过滤精度:5μm、20μm、50μm、100μm
结构示意图

主要结构及外形尺寸
XXG-C型滤芯
表1
类型 | 过滤面积(㎡) | ΦA(mm) | ΦB(mm) | ΦC(mm) | 滤芯材质 |
1" | 0.02 | 58 | 45 | 85 | 不锈钢网 |
2" | 0.04 | 80 | 52 | 160 | |
3" | 0.05 | 108 | 80 | 160 | |
4" | 0.08 | 123 | 92 | 200 | |
6" | 0.16 | 220 | 190 | 230 | |
8" | 0.16 | 260 | 220 | 230 | |
12" | 0.48 | 380 | 330 | 400 |
XXG-C1型外形尺寸见图C1和表2
表2
型号规格 | DN | DN | A | B | C | D | E | 重量 | 滤芯 | |
类型 | 数量 | |||||||||
XXG-C1/25 | 25 | 1" | 195 | 175 | 300 | 89 | 210 | 3.5 | 2" | 1 |
XXG-C1/40 | 40 | 1½" | 220 | 220 | 362 | 108 | 250 | 5 | 2" | 1 |
XXG-C1/50 | 50 | 2" | 285 | 220 | 362 | 159 | 300 | 5 | 2" | 1 |
XXG-C1/65 | 65 | 2½" | 285 | 230 | 410 | 159 | 320 | 21 | 3" | 1 |
XXG-C1/80 | 80 | 3" | 285 | 240 | 410 | 159 | 350 | 30 | 3" | 1 |
XXG-C1/100 | 100 | 4" | 340 | 300 | 480 | 219 | 420 | 44 | 4" | 1 |
XXG-C1/125 | 125 | 5" | 460 | 360 | 570 | 325 | 600 | 65 | 6" | 1 |
XXG-C1/150 | 150 | 6" | 460 | 360 | 570 | 325 | 600 | 123 | 6" | 1 |
XXG-C1/200 | 200 | 8" | 520 | 380 | 650 | 377 | 640 | 170 | 8" | 1 |
XXG-C1/250 | 250 | 10" | 715 | 620 | 730 | 530 | 900 | 210 | 12" | 1 |
XXG-C1/300 | 300 | 12" | 715 | 620 | 730 | 530 | 900 | 210 | 12" | 1 |
XXG-C2型外形尺寸见图C2和表3
表3
型号规格 | DN | DN | A | B | D | E | F | G | 重量 | 滤芯 | |
类型 | 数量 | ||||||||||
XXG-C2/40 | 40 | 1½" | 150 | 150 | 108 | 220 | 362 | 220 | 5 | 2" | 1 |
XXG-C2/50 | 50 | 2" | 180 | 180 | 159 | 220 | 362 | 285 | 5 | 2" | 1 |
XXG-C2/65 | 65 | 2½" | 160 | 160 | 159 | 230 | 410 | 285 | 21 | 3" | 1 |
XXG-C2/80 | 80 | 3" | 175 | 175 | 159 | 240 | 410 | 285 | 30 | 3" | 1 |
XXG-C2/100 | 100 | 4" | 210 | 210 | 219 | 300 | 480 | 340 | 44 | 4" | 1 |
XXG-C2/125 | 125 | 5" | 300 | 300 | 325 | 360 | 570 | 460 | 65 | 6" | 1 |
XXG-C2/150 | 150 | 6" | 300 | 300 | 325 | 360 | 570 | 460 | 123 | 6" | 1 |
XXG-C2/200 | 200 | 8" | 320 | 320 | 377 | 380 | 650 | 520 | 170 | 8" | 1 |
XXG-C2/250 | 250 | 10" | 450 | 450 | 530 | 620 | 730 | 715 | 210 | 12" | 1 |
XXG-C2/300 | 300 | 12" | 450 | 450 | 530 | 620 | 730 | 715 | 210 | 12" | 1 |
过滤器是输送介质管道上*的种装置,通常安装在燃气减压阀、燃气调压器、泄压阀、定位阀或其他设备的进口端,用来消除介质中的杂质,以保护阀门及设备的正常使用,减少设备维护费用,当流体进入置有滤芯的过滤器后,其杂质被滤芯阻挡,而清洁的介质则由过滤器出口排出,当需要清洗时,只要把滤筒拆开,将滤芯取出,清洗后重新装入即可,因此,天然气过滤器使用维护极为方便。
产品特性:
天然气过滤器过滤面积大、压损小、寿命长、效率高,使用安装维护方便。其形式主要有同轴法兰式和角型法兰式两种。该系列过滤器可以根据要求配备差压计来显示过滤芯的阻塞情况,便于用户了解滤芯是否该清洗。滤芯采用的材质有不锈钢网、纸质、尼龙网等。其过滤精度高达5um。
使用场合:
天然气过滤器主要用于天然气气田,燃气输配系统,燃气汽轮机燃料供应等场合的气体净化。天然气过滤器也可用于过滤空气,丙烷及其他非腐蚀气体。
产品参数:
公称压力等级:6.4MPa 4.0 MPa 2.5 MPa 1.6 MPa 0.6 MPa
工作温度:-10~+50 ℃
过滤精度:3μm 5μm 10μm 20μm 50μm 100μm
允许压损:0.025MPa
口径系列:DN25、DN50、DN80、DN100、DN150、DN200、DN300、DN400
过滤效率:99.9%,祛除3μm(依赖选择的 滤芯精度)以上的固体颗粒。
适用介质:天然气,人工煤气、液化石油 气及各种非腐蚀性气体。
集液腔体积:大于过滤全容积的12%,集液 (尘)腔设有排放阀。
过滤器设差压表接口,可装接多通阀差压计组件。
出口管设压力表接口,可装接针阀压力表组件。
上海乔邑阀门主要生产销售【燃气过滤器XXG-C天然气过滤器/带差压计天然气过滤器/气体过滤器/高压气体过滤装置/精细过滤器/沼气过滤器/管道天然气过滤器/大口径气体过滤器/高压气体过滤装置/轴流式气体过滤器】,备有大量库存现货以出厂价直销!我们秉持“合理价格、贴心服务"的理念,努力为用户提供可靠的产品和完善的售后服务。本文中所有文字、数据、图片仅供参考。










